Резьбофреза твердосплавная
M8x0.75-6-16-6-60-TM1-Z4-U9
Артикул: 1120806
19 050 ₽
с НДС
За 1 шт
P
M
K
S
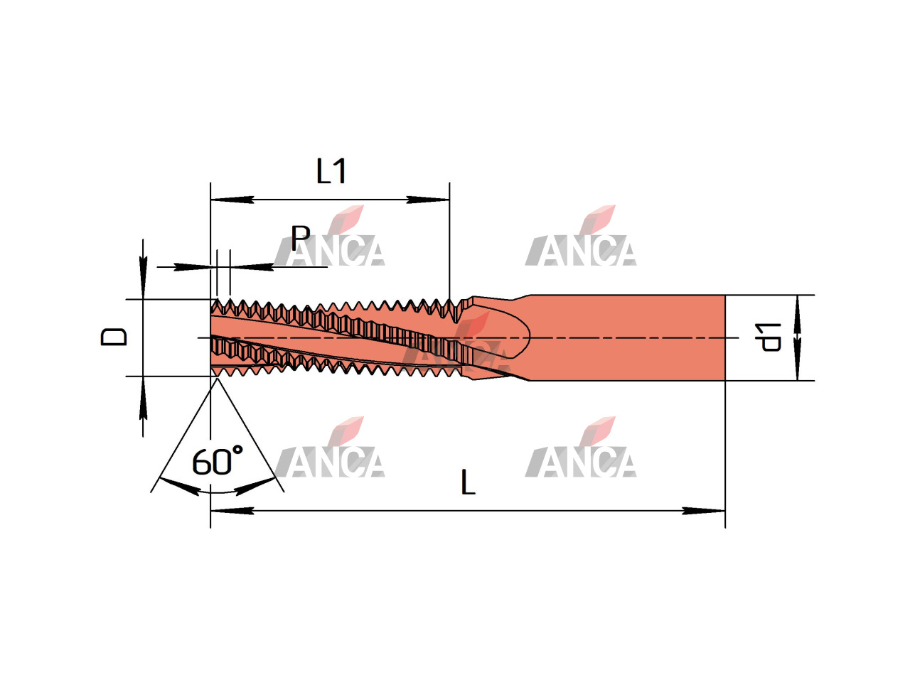
Шаг резьбы (P), мм.
0.75
Режущий диаметр (D), мм.
6
Длина режущей части (L1), мм.
16
Диаметр хвостовика (d1), мм.
6
Общая длина фрезы (L), мм.
60
Кол-во профильных зубьев в ряд (ZP), шт.
21
Количество зубьев (Z), шт.
4
Тип покрытия (T)
PVD
Слои покрытия (C)
AlTiN
Тип подвода СОЖ (E)
Наружный
Вес, кг
0.02
Высокоточная твердосплавная монолитная резьбофреза с многозубым сплошным профилем: M8x0.75-6-16-6-60-TM1-Z4-U9, с износостойким покрытием из нитрида алюминия-титана, предназначенная для нарезания внутренних метрических резьбовых отверстий M8x0.75 на глубину до 16 мм., методом реза по винтовой интерполяции , в различных материалах, включая стали углеродистые и легированные, нержавеющие стали с содержанием хрома не менее 12%, чугуны серые, ковкие, с шаровидным графитом на станках с ЧПУ. Прежнее название MU4-860 060616M8х0.75 S207
Нет в наличии